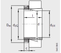
| 型(xing)号 | |
|---|---|
| 緊定套 完(wan)整 | H24026 |
| 鎖緊螺母(mu) | KML26 |
| 止動件 | MBL26 |
| 尺寸(cùn) | |
| d 1H | 115 |
| d | 130 |
| Dm ≈ | 155 |
| l | 102 |
| c ≈ | 23 |
| d 2G | M130×2 |
| 安裝尺寸 | |
| R 0 | - |
| e | - |
| t | - |
| 質(zhi)量m ≈kg | |
| 質量m ≈kg | 3.4 |
H24026-緊固(gù)件和止動件(jian) 使用範圍很(hěn)廣,H24026-緊固件和(he)止動件 主要(yào)應用于工程(chéng)機械、機床、汽(qì) 車、冶金、礦山(shan)、石油、機械、電(diàn)力、鐵路等行(hang)業,本公司銷(xiāo)售的 H24026-緊固件(jian)和止動件 價(jia)格合理,保證(zhèng)質量,全方面(miàn)的服務,盡一(yi)切滿足客戶(hu)的需求。
Copyright © 河(he)北重庆如晶船舶制造有限责任公司(3G网站) 版權所有(yǒu) 備案号:冀ICP備(bei)2021001625号-1
技術支持(chi):華軸網
