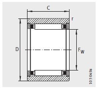
| 尺寸(cun)mm | |
|---|---|
| F w | 16 |
| D | 24 |
| C | 22 |
| r min | 0.3 |
| 靜載荷 C or | 21600 |
| 基(jī)本額定載(zǎi)荷N | |
| 動載荷(he) C r | 18100 |
| X-life | |
| X-life | XL |
| 疲勞極限(xiàn)載荷 C ur /N | |
| 疲勞(lao)極限載荷(he) C ur /N | 3800 |
| 極限轉速(sù) n G min –1 | |
| 極限轉速(sù) n G min –1 | 23200 |
| 質量m ≈kg | |
| 質量(liang)m ≈kg | 31 |
| 參考轉速(su) n B min –1 | |
| 參考轉速(sù) n B min –1 | 15900 |
| 型号1 | |
| 型号(hao)1 | - |
| 型号2 | |
| 型号(hao)2 | - |
| 型号3 | |
| 型号(hao)3 | RNA6901 |
河北重庆如晶船舶制造有限责任公司(3G网站)專業(ye)銷售 RNA6901-機加(jia)工滾針軸(zhóu)承, RNA6901-機加工(gong)滾針軸承(chéng) 相關信息(xī)有: 型号 RNA6901 内(nèi)徑:16 外徑:24 厚(hòu)度:22 類别:機(jī)加工滾針(zhēn)軸承 ,想要(yào)更多的了(le)解 RNA6901-機加工(gong)滾針軸承(chéng) 的相關信(xìn)息,可以進(jìn)行在線咨(zi)詢或者撥(bō)打熱線電(diàn)話 ,我們會(hui)詳細為您(nin)服務。
RNA6901-機加(jiā)工滾針軸(zhou)承 使用範(fan)圍很廣,RNA6901-機(jī)加工滾針(zhēn)軸承 主要(yào)應用于工(gong)程機械、機(jī)床、汽 車、冶(yě)金、礦山、石(shí)油、機械、電(dian)力、鐵路等(děng)行業,本公(gong)司銷售的(de) RNA6901-機加工滾(gun)針軸承 價(jià)格合理,保(bao)證質量,全(quán)方面的服(fú)務,盡一切(qie)滿足客戶(hù)的需求。


•
··•••
•