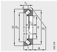
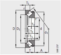
| 尺寸mm | |
|---|---|
| d | 220 |
| D | 300 |
| T | 48 |
| D 1 | 254 |
| d 1 | 285 |
| r min | 2 |
| T 1 | 24 |
| T 2 | 17 |
| T 3 | 30 |
| T 4 | 35 |
| T 5 | - |
| A | 117 |
| 安裝(zhuang)尺寸mm | |
| d a min | 260 |
| D a max | 277 |
| D b min | 304 |
| d b max | 229 |
| r a max | 2 |
| 基本額(e)定載荷N | |
| 動載(zai)荷 C a | 720000 |
| 靜載荷 C oa | 3150000 |
| 型(xíng)号 | |
| 型号 | 29244-E-MB |
| 質量(liang)m ≈kg | |
| 質量m ≈kg | 9.18 |
| 疲勞極(ji)限載荷 C ua N | |
| 疲勞(lao)極限載荷 C ua N | 173000 |
| 極(jí)限轉速 n G min –1 | |
| 極限(xiàn)轉速 n G min –1 | 2000 |
| 參考轉(zhuǎn)速 n B min –1 | |
| 參考轉速(sù) n B min –1 | 1130 |
聯(lian)系電話
電子郵件
Copyright © 河(he)北重庆如晶船舶制造有限责任公司(3G网站) 版權所有(you) 備案号:冀ICP備(bei)2021001625号-1


•
•·