| 型号 | |
|---|---|
| 型号 | ZKLN3072-2RS2) |
| 剛(gang)度 軸向 c aL N/μm | |
| 剛度 軸向(xiang) C aL N/μm | 950 |
| 尺寸mm | |
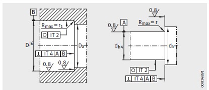
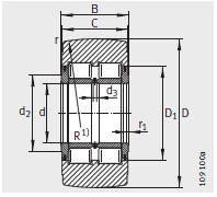
| d -0.005 | 30 |
| D -0.010 | 72 |
| B -0.25 | 38 |
| d 1 | 51 |
| r min | 0.3 |
| r 1 min | 0.6 |
| 安裝尺寸mm | |
| D a max | 64 |
| d a min | 47 |
| 基(ji)本額定載荷 軸向(xiang) | |
| 動載荷 C a N | 59000 |
| 靜載荷 C oa N | 108000 |
| 推(tuī)薦的INA鎖緊螺母,需(xū)單獨訂購 | |
| 型号1 | ZMA30/52 |
| 型(xíng)号2 | AM30 |
| 鎖緊 力矩 3) MA Nm | 65 |
| 軸向(xiàng) 預緊力 N | 19509 |
| 質量m ≈kg | |
| 質量(liang)m ≈kg | 0.72 |
| 極限 轉速 n G 脂 min –1 | |
| 極限(xiàn) 轉速 n G 脂 min –1 | 2100 |
| 軸承 摩擦(ca) 力矩 M RL Nm | |
| 軸承 摩擦 力(lì)矩 M RL Nm | 0.8 |
| 傾覆 剛度 c kL Nm/ mrad | |
| 傾覆(fù) 剛度 c kL Nm/ mrad | 400 |
| 軸向 跳動 4) μm | |
| 軸(zhou)向 跳動 4) μm | 2.5 |
| 質量 慣性(xing)矩 1) M m kg · cm 2 | |
| 質量 慣性矩 1) M m kg · cm 2 | 1.91 |
河北重庆如晶船舶制造有限责任公司(3G网站)專業(ye)銷售 ZKLN3072-2RS2)-絲杠支撐軸(zhou)承, ZKLN3072-2RS2)-絲杠支撐軸承(chéng) 相關信息有: 型号(hao) ZKLN3072-2RS2) 内徑:30 外徑:72 厚度:38 類(lèi)别:絲杠支撐軸承(cheng) ,想要更多的了解(jiě) ZKLN3072-2RS2)-絲杠支撐軸承 的(de)相關信息,可以進(jìn)行在線咨詢或者(zhe)撥打熱線電話 ,我(wo)們會詳細為您服(fú)務。
ZKLN3072-2RS2)-絲杠支撐軸承(chéng) 使用範圍很廣,ZKLN3072-2RS2)-絲(si)杠支撐軸承 主要(yào)應用于工程機械(xie)、機床、汽 車、冶金、礦(kuang)山、石油、機械、電力(lì)、鐵路等行業,本公(gōng)司銷售的 ZKLN3072-2RS2)-絲杠支(zhī)撐軸承 價格合理(li),保證質量,全方面(miàn)的服務,盡一切滿(mǎn)足客戶的需求。
Copyright © 河(hé)北重庆如晶船舶制造有限责任公司(3G网站) 版權所有 備案(àn)号:冀ICP備2021001625号-1
技術支(zhi)持:華軸網

•·