我们以(yǐ)匠心工藝成就高(gāo)品質軸承品牌
您(nin)的位置:首頁産品(pin)中心
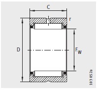
| 尺(chi)寸mm | |
|---|---|
| F w | 50 |
| D | 65 |
| C | 22 |
| r min | 1 |
| 基本額定載荷(he)N | |
| 動載荷 C r | 48000 |
| 靜載荷 C or | 67000 |
| X-life | |
| X-life | XL |
| 疲(pí)勞極限載荷 C ur /N | |
| 疲勞(lao)極限載荷 C ur /N | 11500 |
| 極限轉(zhuan)速 n G min –1 | |
| 極限轉速 n G min –1 | 8500 |
| 質量(liang)m ≈kg | |
| 質量m ≈kg | 157 |
| 參考轉速 n B min –1 | |
| 參(cān)考轉速 n B min –1 | 5100 |
| 型号1 | |
| 型号(hao)1 | - |
| 型号2 | |
| 型号2 | - |
| 型号3 | |
| 型(xing)号3 | - |
| 型号4 | |
| 型号4 | NKS50 |
河北重庆如晶船舶制造有限责任公司(3G网站)專業銷(xiao)售 NKS50-機加工滾針軸(zhou)承, NKS50-機加工滾針軸(zhou)承 相關信息有: 型(xíng)号 NKS50 内徑:50 外徑:65 厚度(dù):22 類别:機加工滾針(zhēn)軸承 ,想要更多的(de)了解 NKS50-機加工滾針(zhēn)軸承 的相關信息(xi),可以進行在線咨(zī)詢或者撥打熱線(xian)電話 ,我們會詳細(xi)為您服務。
NKS50-機加工(gong)滾針軸承 使用範(fan)圍很廣,NKS50-機加工滾(gun)針軸承 主要應用(yòng)于工程機械、機床(chuáng)、汽 車、冶金、礦山、石(shí)油、機械、電力、鐵路(lu)等行業,本公司銷(xiao)售的 NKS50-機加工滾針(zhen)軸承 價格合理,保(bao)證質量,全方面的(de)服務,盡一切滿足(zú)客戶的需求。


·•••
•