青春禁🚩区视频在线观看资源🌈AMS50-絲杠支撐軸承-河北重庆如晶船舶制造有限责任公司(3G网站)

全國服務熱線(xian)

0319-8561987

AMS50-絲杠支撐軸承(cheng)

  • 新型号:AMS50
  • 舊型号(hào):
  • 類别:絲杠支撐(cheng)軸承
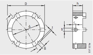
  • 内徑:53
  • 外徑(jing):70
  • 厚度:6
  • 系列:緊固(gù)件
立即咨詢

産(chǎn)品圖紙

産品參(can)數

尺寸(mm)
70
h19
d53
b H 116
c6
B6
t2.5
型号
型(xíng)号AMS50
質量 m ≈kg
質量 m ≈kg0.245
用(yong)于精密鎖緊螺(luo)母
用于精密鎖(suǒ)緊螺母AM45、AM50
  • 地(dì)址

    河北省邢台(tái)市臨西縣臨西(xi)鎮陳林村東北(bei)縣敬老院南600米(mi)

  • 聯系電話

  • 傳真(zhen)

    0319-8561987

  • 電子郵件

    [email protected]

总 公 司急 速 版WAP 站H5 版无线端AI 智能3G 站4G 站5G 站6G 站
 
·
·
·