我们以(yi)匠心工藝成就高(gao)品質軸承品牌
您(nín)的位置:首頁産品(pǐn)中心
| 型号 | |
|---|---|
| 型(xíng)号 | NU419-M1 |
| X-life | |
| X-life | XL |
| 疲勞極限載荷(hé) C ur / N | |
| 疲勞極限載荷 C ur / N | 73000 |
| 極(jí)限轉速 n G /min –1 | |
| 極限轉速(sù) n G /min –1 | 4800 |
| 參考轉速 n B /min –1 | |
| 參考轉(zhuan)速 n B /min –1 | - |
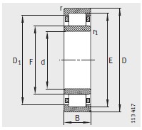
| 尺寸 mm | |
| d | 95 |
| D | 240 |
| B | 55 |
| r min | 4 |
| r 1 min | 4 |
| s 1) | 5.2 |
| E | 201.5 |
| F | 133.5 |
| D 1 ≈ | 189.7 |
| d 1 ≈ | - |
| 安裝尺寸(cùn) mm | |
| d a min | 115 |
| d a max | 132 |
| d b min | 136 |
| D a max | 220 |
| D b min | - |
| D c max | - |
| r a max | 3 |
| r a1 max | 3 |
| 基本額定載荷 N | |
| 動(dong)載荷 C r | 495000 |
| 靜載荷 C or | 470000 |
| 質量(liàng)m ≈kg | |
| 質量m ≈kg | 13.9 |
河(he)北重庆如晶船舶制造有限责任公司(3G网站)專業銷售 NU419-M1-圓柱(zhu)滾子軸承, NU419-M1-圓柱滾(gun)子軸承 相關信息(xī)有: 型号 NU419-M1 内徑:95 外徑(jing):240 厚度:55 類别:圓柱滾(gun)子軸承 ,想要更多(duō)的了解 NU419-M1-圓柱滾子(zi)軸承 的相關信息(xī),可以進行在線咨(zī)詢或者撥打熱線(xian)電話 ,我們會詳細(xi)為您服務。
NU419-M1-圓柱滾(gǔn)子軸承 使用範圍(wéi)很廣,NU419-M1-圓柱滾子軸(zhou)承 主要應用于工(gōng)程機械、機床、汽 車(chē)、冶金、礦山、石油、機(ji)械、電力、鐵路等行(háng)業,本公司銷售的(de) NU419-M1-圓柱滾子軸承 價(jià)格合理,保證質量(liàng),全方面的服務,盡(jin)一切滿足客戶的(de)需求。
地址
Copyright © 河北重庆如晶船舶制造有限责任公司(3G网站) 版權所(suǒ)有 備案号:冀ICP備2021001625号(hao)-1
技術支持:華軸網(wang)

